Home > Products > Std Parts > Wood Screws
Machine Screws Dimensions
- Head Dimensions
- Dimensions of Flat Countersunk Head Machine Screws
- Dimensions of Oval Countersunk Head Machine Screws
- Dimensions of Undercut Flat Countersunk Head Machine Screws
- Dimensions of Pan Head Machine Screws
- Dimensions of Fillister Head Machine Screws
- Dimensions of Truss Head Machine Screws
- Dimensions of Binding Head Machine Screws
- Dimensions of Hex Head Machine Screws
- Dimensions of Round Head Machine Screws
- Dimensions of PAN Head Combination Drive Machine Screws
- Dimensions of PAN Head Torx Drive Machine Screws
- Thread Dimensions
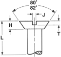
DIMENSIONS OF FLAT COUNTERSUNK HEAD Machine SCREWS
![]() SLOTTED |
![]() PHILIPS |
Nominal Size |
A |
H |
J |
T |
M |
G |
N |
Phillips Driver Size |
|||||
Head Diameter |
Height of Head |
Width of Slot |
Depth of Slot |
Dimensions of Recess |
|||||||||
Diameter |
Depth |
Width |
|||||||||||
Max. |
Min. |
Max. |
Min. |
Max. |
Min. |
Max. |
Min. |
Max. |
Min. |
Max. |
Min. |
||
2 |
0.172 |
147 |
0.051 |
0.04 |
0.031 |
0.023 |
0.023 |
0.015 |
0.102 |
0.089 |
0.063 |
0.017 |
1 |
4 |
0.225 |
0.195 |
0.067 |
0.055 |
0.039 |
0.031 |
0.03 |
0.02 |
0.128 |
0.115 |
0.089 |
0.018 |
1 |
5 |
0.252 |
0.22 |
0.075 |
0.062 |
0.043 |
0.035 |
0.034 |
0.022 |
0.154 |
0.141 |
0.086 |
0.027 |
2 |
6 |
0.279 |
0.244 |
0.083 |
0.069 |
0.048 |
0.039 |
0.038 |
0.024 |
0.174 |
0.161 |
0.106 |
0.029 |
2 |
7 |
0.305 |
0.268 |
0.091 |
0.076 |
0.048 |
0.039 |
0.041 |
0.027 |
0.182 |
0.169 |
0.114 |
0.03 |
2 |
8 |
0.332 |
0.292 |
0.1 |
0.084 |
0.054 |
0.045 |
0.045 |
0.029 |
0.189 |
0.176 |
0.121 |
0.031 |
2 |
9 |
0.358 |
0.316 |
0.108 |
0.091 |
0.054 |
0.045 |
0.049 |
0.032 |
0.258 |
0.245 |
0.146 |
0.034 |
2 |
10 |
0.385 |
0.34 |
0.116 |
0.098 |
0.06 |
0.05 |
0.053 |
0.034 |
0.204 |
0.191 |
0.136 |
0.032 |
2-3* |
12 |
0.438 |
0.389 |
0.132 |
0.112 |
0.067 |
0.056 |
0.06 |
0.039 |
0.268 |
0.255 |
0.156 |
0.036 |
3 |
14 |
0.507 |
0.452 |
0.153 |
0.131 |
0.075 |
0.064 |
0.07 |
0.046 |
0.283 |
0.27 |
0.171 |
0.035 |
3 |
18 |
0.635 |
0.568 |
0.191 |
0.165 |
0.084 |
0.072 |
0.088 |
0.058 |
0.365 |
0.352 |
0.216 |
0.061 |
4 |
24 |
0.762 |
0.685 |
0.23 |
0.2 |
0.094 |
0.081 |
0.106 |
0.07 |
0.393 |
0.38 |
0.245 |
0.065 |
4 |
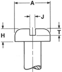
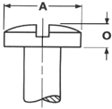
DIMENSIONS OF OVAL COUNTERSUNK HEAD Machine SCREWS
![]() SLOTTED |
![]() PHILIPS |
Nominal
Size
|
A |
H |
O |
J |
T |
M |
G |
N |
Phillips
Driver
Size
|
||||||
Head Diameter |
Height of Head |
Width of Slot |
Depth of Slot |
Dimensions of Recess |
|||||||||||
Side Height |
Total Height |
Diameter |
Depth |
Width |
|||||||||||
Max. |
Min. |
Max. |
Min. |
Max. |
Min. |
Max. |
Min. |
Max. |
Min. |
Max. |
Min. |
Max. |
Min. |
||
4 |
0.225 |
0.195 |
0.067 |
0.054 |
0.104 |
0.084 |
0.039 |
0.031 |
0.059 |
0.049 |
0.136 |
0.123 |
0.094 |
0.019 |
1 |
5 |
0.252 |
0.22 |
0.075 |
0.062 |
0.116 |
0.095 |
0.043 |
0.035 |
0.067 |
0.055 |
0.158 |
0.145 |
0.085 |
0.028 |
2 |
6 |
0.279 |
0.244 |
0.083 |
0.069 |
0.128 |
0.105 |
0.048 |
0.039 |
0.074 |
0.06 |
0.178 |
0.165 |
0.105 |
0.03 |
2 |
8 |
0.332 |
0.292 |
0.1 |
0.084 |
0.152 |
0.126 |
0.054 |
0.045 |
0.088 |
0.072 |
0.192 |
0.179 |
0.119 |
0.031 |
2 |
9 |
0.358 |
0.316 |
0.108 |
0.091 |
0.164 |
0.137 |
0.054 |
0.045 |
0.095 |
0.078 |
0.216 |
0.203 |
0.144 |
0.034 |
2 |
10 |
0.385 |
0.34 |
0.116 |
0.098 |
0.176 |
0.148 |
0.06 |
0.05 |
0.103 |
0.084 |
0.209 |
0.196 |
0.137 |
0.033 |
2-3* |
12 |
0.438 |
0.389 |
0.132 |
0.112 |
0.2 |
0.169 |
0.067 |
0.056 |
0.117 |
0.096 |
0.27 |
0.257 |
0.152 |
0.038 |
3 |
14 |
0.507 |
0.452 |
0.153 |
0.131 |
0.232 |
0.197 |
0.075 |
0.064 |
0.136 |
0.112 |
0.29 |
0.277 |
0.173 |
0.04 |
3 |
DIMENSIONS OF UNDERCUT FLAT COUNTERSUND HEAD MACHINE SCREWS
![]() SLOTTED |
![]() PHILIPS |
Nominal Size |
L |
A |
H |
J |
T |
M |
G |
N |
Phillips Driver Size |
||||||
These Lengths or Shorter are undercut |
Head Diameter |
Height of Head |
Width of Slot |
Depth of Slot |
Dimensions of Recess |
||||||||||
Max. Edge Sharp |
Min. Edge Round or Flat |
Diameter |
Depth |
Width |
|||||||||||
Max. |
Min. |
Max. |
Min. |
Max. |
Min. |
Max. |
Min. |
Max. |
Min. |
Min. |
|||||
4 |
3/16 |
0.225 |
0.195 |
0.047 |
0.038 |
0.039 |
0.031 |
0.022 |
0.014 |
0.117 |
0.104 |
0.078 |
0.062 |
0.018 |
1 |
6 |
3/16 |
0.279 |
0.244 |
0.059 |
0.048 |
0.048 |
0.039 |
0.027 |
0.017 |
0.146 |
0.133 |
0.078 |
0.055 |
0.025 |
2 |
8 |
1/4 |
0.332 |
0.292 |
0.07 |
0.058 |
0.054 |
0.045 |
0.032 |
0.021 |
0.174 |
0.161 |
0.106 |
0.083 |
0.029 |
2 |
10 |
5/16 |
0.385 |
0.34 |
0.081 |
0.068 |
0.06 |
0.05 |
0.037 |
0.024 |
0.189 |
0.176 |
0.121 |
0.098 |
0.03 |
2 |
12 |
3/8 |
0.438 |
0.389 |
0.092 |
0.078 |
0.067 |
0.056 |
0.043 |
0.028 |
0.233 |
0.22 |
0.121 |
0.098 |
0.03 |
3 |
1/4 |
7/16 |
0.507 |
0.452 |
0.107 |
0.092 |
0.075 |
0.064 |
0.05 |
0.032 |
0.25 |
0.237 |
0.136 |
0.113 |
0.032 |
3 |
5/16 |
1/2 |
0.635 |
0.568 |
0.134 |
0.116 |
0.084 |
0.072 |
0.062 |
0.041 |
0.317 |
0.304 |
0.168 |
0.146 |
0.053 |
4 |
3/8 |
9/16 |
0.762 |
0.685 |
0.161 |
0.14 |
0.094 |
0.081 |
0.075 |
0.049 |
0.365 |
0.352 |
0.216 |
0.194 |
0.061 |
4 |
DIMENSIONS OF PAN HEAD MACHINE SCREWS
![]() SLOTTED |
![]() PHILIPS |
Nominal Size |
A |
H |
H1 |
J |
T |
M |
G |
N |
Phillips Driver Size |
|||||||
Head Diameter |
Height of Head |
Width of Slot |
Depth of Slot |
Dimensions of Recess |
||||||||||||
Slotted |
Recessed |
Diameter |
Depth |
Width |
||||||||||||
Max. |
Min. |
Max. |
Min. |
Max. |
Min. |
Max. |
Min. |
Max. |
Min. |
Max. |
Min. |
Max. |
Min. |
|||
2 |
0.167 |
0.155 |
0.053 |
0.045 |
0.062 |
0.053 |
0.031 |
0.023 |
0.031 |
0.022 |
0.104 |
0.091 |
0.059 |
0.017 |
1 |
|
3 |
0.193 |
0.18 |
0.06 |
0.051 |
0.071 |
0.062 |
0.035 |
0.027 |
0.036 |
0.026 |
0.112 |
0.099 |
0.068 |
0.019 |
1 |
|
4 |
0.219 |
0.205 |
0.068 |
0.058 |
0.08 |
0.07 |
0.039 |
0.031 |
0.04 |
0.03 |
0.122 |
0.109 |
0.078 |
0.019 |
1 |
|
5 |
0.245 |
0.231 |
0.075 |
0.065 |
0.089 |
0.079 |
0.043 |
0.035 |
0.045 |
0.034 |
0.158 |
0.145 |
0.083 |
0.028 |
2 |
|
6 |
0.27 |
0.256 |
0.082 |
0.072 |
0.097 |
0.087 |
0.048 |
0.039 |
0.05 |
0.037 |
0.166 |
0.153 |
0.091 |
0.028 |
2 |
|
7 |
0.296 |
0.281 |
0.089 |
0.079 |
0.106 |
0.096 |
0.048 |
0.039 |
0.054 |
0.041 |
0.176 |
0.163 |
0.1 |
0.029 |
2 |
|
8 |
0.322 |
0.306 |
0.096 |
0.085 |
0.115 |
0.105 |
0.054 |
0.045 |
0.058 |
0.045 |
0.182 |
0.169 |
0.108 |
0.03 |
2 |
|
10 |
0.373 |
0.357 |
0.11 |
0.099 |
0.133 |
0.122 |
0.06 |
0.05 |
0.068 |
0.053 |
0.199 |
0.186 |
0.124 |
0.031 |
2 |
|
12 |
0.425 |
0.407 |
0.125 |
0.112 |
0.151 |
0.139 |
0.067 |
0.056 |
0.077 |
0.061 |
0.259 |
0.246 |
0.141 |
0.034 |
3 |
|
14 |
0.492 |
0.473 |
0.144 |
0.13 |
0.175 |
0.162 |
0.075 |
0.064 |
0.087 |
0.07 |
0.281 |
0.268 |
0.161 |
0.036 |
3 |
|
18 |
0.615 |
0.594 |
0.178 |
0.162 |
0.218 |
0.203 |
0.084 |
0.072 |
0.106 |
0.085 |
0.35 |
0.337 |
0.193 |
0.169 |
4 |
|
24 |
0.74 |
0.716 |
0.212 |
0.195 |
0.261 |
0.244 |
0.094 |
0.081 |
0.124 |
0.1 |
0.389 |
0.376 |
0.233 |
0.21 |
4 |
|
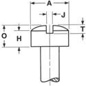
DIMENSIONS OF FILLISTER HEAD MACHINE SCREWS
|
![]() PHILIPS |
Nominal Size |
A |
H |
O |
J |
T |
M |
G |
N |
Phillips Driver Size |
||||||
Head Diameter |
Height of Head |
Width of Slot |
Depth of Slot |
Dimensions of Recess |
|||||||||||
Side Height |
Total Height |
Diameter |
Depth |
Width |
|||||||||||
Max. |
Min. |
Max. |
Min. |
Max. |
Min. |
Max. |
Min. |
Max. |
Min. |
Max. |
Min. |
Max. |
Min. |
||
2 |
0.14 |
0.124 |
0.062 |
0.053 |
0.083 |
0.066 |
0.031 |
0.023 |
0.037 |
0.025 |
0.104 |
0.091 |
0.059 |
0.017 |
1 |
3 |
0.161 |
0.145 |
0.07 |
0.061 |
0.095 |
0.077 |
0.035 |
0.027 |
0.043 |
0.03 |
0.112 |
0.099 |
0.068 |
0.019 |
1 |
4 |
0.183 |
0.166 |
0.079 |
0.069 |
0.107 |
0.088 |
0.039 |
0.031 |
0.048 |
0.035 |
0.122 |
0.109 |
0.078 |
0.019 |
1 |
5 |
0.205 |
0.187 |
0.088 |
0.078 |
0.12 |
0.1 |
0.043 |
0.035 |
0.054 |
0.04 |
0.143 |
0.13 |
0.067 |
0.027 |
2 |
6 |
0.226 |
0.208 |
0.096 |
0.086 |
0.132 |
0.111 |
0.048 |
0.039 |
0.06 |
0.045 |
0.166 |
0.153 |
0.091 |
0.028 |
2 |
8 |
0.27 |
0.25 |
0.113 |
0.102 |
0.156 |
0.133 |
0.054 |
0.045 |
0.071 |
0.054 |
0.182 |
0.169 |
0.108 |
0.03 |
2 |
10 |
0.313 |
0.292 |
0.13 |
0.118 |
0.18 |
0.156 |
0.06 |
0.05 |
0.083 |
0.064 |
0.199 |
0.186 |
0.124 |
0.031 |
2 |
12 |
0.357 |
0.334 |
0.148 |
0.134 |
0.205 |
0.178 |
0.067 |
0.056 |
0.094 |
0.074 |
0.259 |
0.246 |
0.141 |
0.034 |
3 |
1/4 |
0.414 |
0.389 |
0.17 |
0.155 |
0.237 |
0.207 |
0.075 |
0.064 |
0.109 |
0.087 |
0.281 |
0.268 |
0.161 |
0.036 |
3 |
5/16 |
0.518 |
0.49 |
0.211 |
0.194 |
0.295 |
0.262 |
0.084 |
0.072 |
0.137 |
0.11 |
0.322 |
0.309 |
0.203 |
0.042 |
3 |
3/8 |
0.622 |
0.59 |
0.253 |
0.233 |
0.355 |
0.315 |
0.094 |
0.081 |
0.164 |
0.133 |
0.389 |
0.376 |
0.233 |
0.065 |
4 |
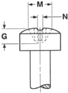
DIMENSIONS OF TRUSS HEAD MACHINE SCREWS
|
![]() PHILIPS |
Nominal Size |
A |
T |
M |
G |
N |
Phillips Driver Size |
|||
Width of Slot |
Depth of Slot |
Dimensions of Recess |
|||||||
Diameter |
Depth |
Width |
|||||||
Max. |
Min. |
Max. |
Min. |
Max. |
Min. |
Max. |
Min. |
||
4 |
-- |
-- |
-- |
-- |
0.112 |
0.099 |
0.069 |
0.017 |
1 |
6 |
0.048 |
0.039 |
0.05 |
0.037 |
0.158 |
145 |
0.084 |
0.027 |
2 |
8 |
0.054 |
0.045 |
0.058 |
0.045 |
0.173 |
0.16 |
0.099 |
0.029 |
2 |
10 |
0.06 |
0.05 |
0.068 |
0.053 |
0.188 |
0.175 |
0.115 |
0.03 |
2 |
1/4 |
0.075 |
0.064 |
0.087 |
0.07 |
0.263 |
0.25 |
0.143 |
0.033 |
3 |
5/16 |
0.084 |
0.072 |
0.106 |
0.085 |
0.352 |
0.339 |
0.193 |
0.059 |
4 |
3/8 |
0.094 |
0.081 |
0.124 |
0.1 |
-- |
-- |
-- |
-- |
-- |
DIMENSIONS OF BINDING HEAD MACHINE SCREWS
|
![]() PHILIPS |
Nominal Size |
A |
F |
O |
J |
T |
U |
X |
|||||||
Head Dia. |
Height of Head |
Width of Slot |
Depth of Slot |
Dimensions of Undercut |
||||||||||
Hgt. of Oval |
Total Hgt. |
Diameter |
Depth |
|||||||||||
Max. |
Min.. |
Max. |
Min.. |
Max. |
Min. |
Max. |
Min. |
Max. |
Min. |
Max. |
Min. |
Max. |
Min. |
|
2 |
0.181 |
0.171 |
0.018 |
0.013 |
0.05 |
0.043 |
0.031 |
0.023 |
0.03 |
0.024 |
0.141 |
0.124 |
0.01 |
0.005 |
3 |
0.208 |
0.197 |
0.022 |
0.016 |
0.059 |
0.052 |
0.035 |
0.027 |
0.036 |
0.025 |
0.162 |
0.143 |
0.011 |
0.006 |
4 |
0.235 |
0.223 |
0.025 |
0.018 |
0.068 |
0.061 |
0.039 |
0.031 |
0.042 |
0.034 |
0.184 |
0.161 |
0.012 |
0.007 |
5 |
0.263 |
0.249 |
0.029 |
0.021 |
0.078 |
0.069 |
0.043 |
0.035 |
0.048 |
0.035 |
0.205 |
0.18 |
0.014 |
0.009 |
6 |
0.29 |
0.275 |
0.032 |
0.024 |
0.087 |
0.078 |
0.048 |
0.039 |
0.053 |
0.044 |
0.226 |
0.199 |
0.015 |
0.01 |
8 |
0.344 |
0.326 |
0.039 |
0.029 |
0.105 |
0.095 |
0.054 |
0.045 |
0.065 |
0.054 |
0.269 |
0.236 |
0.017 |
0.012 |
10 |
0.399 |
0.378 |
0.045 |
0.034 |
0.123 |
0.112 |
0.06 |
0.05 |
0.077 |
0.064 |
0.312 |
0.274 |
0.02 |
0.015 |
1/4 |
0.513 |
0.488 |
0.061 |
0.046 |
0.165 |
0.152 |
0.075 |
0.064 |
0.105 |
0.088 |
0.41 |
0.36 |
0.026 |
0.021 |
DIMENSIONS OF HEX HEAD MACHINE SCREWS
|
![]() SLOTTED HEX WASHER HEAD |
Nominal Size |
A |
W |
H |
F |
U |
J |
T |
||||||
Width Across Flats |
Width Across Corners |
Height of Head |
Diameter of Washer |
Thickness of Washer |
Width of Slot |
Depth of Slot |
|||||||
Max. |
Min. |
Min. |
Max. |
Min. |
Max. |
Min. |
Max. |
Min. |
Max. |
Min. |
Max. |
Min. |
|
4 |
0.187 |
0.181 |
0.202 |
0.060 |
0.049 |
0.243 |
0.225 |
0.019 |
0.011 |
0.039 |
0.031 |
0.042 |
0.025 |
6 |
0.25 |
0.244 |
0.272 |
0.093 |
0.080 |
0.328 |
0.302 |
0.025 |
0.015 |
0.048 |
0.039 |
0.053 |
0.033 |
7 |
0.25 |
0.244 |
0.272 |
0.093 |
0.080 |
0.328 |
0.302 |
0.029 |
0.017 |
0.048 |
0.039 |
0.062 |
0.040 |
8 |
0.25 |
0.244 |
0.272 |
0.110 |
0.096 |
0.348 |
0.322 |
0.031 |
0.019 |
0.054 |
0.045 |
0.074 |
0.052 |
10 |
0.312 |
0.305 |
0.340 |
0.120 |
0.105 |
0.414 |
0.384 |
0.031 |
0.019 |
0.060 |
0.050 |
0.080 |
0.057 |
12 |
0.312 |
0.305 |
0.340 |
0.155 |
0.139 |
0.432 |
0.398 |
0.039 |
0.022 |
0.067 |
0.056 |
0.103 |
0.077 |
14 |
0.438 |
0.428 |
0.409 |
0.190 |
0.172 |
0.520 |
0.48 |
0.05 |
0.030 |
0.075 |
0.064 |
0.111 |
0.083 |
1/4 |
0.375 |
0.367 |
0.409 |
0.190 |
0.172 |
0.520 |
0.480 |
0.050 |
0.030 |
0.075 |
0.064 |
0.111 |
0.083 |
5/16 |
0.500 |
0.489 |
0.545 |
0.230 |
0.208 |
0.676 |
0.624 |
0.055 |
0.035 |
0.084 |
0.072 |
0.134 |
0.100 |
3/8 |
0.562 |
0.551 |
0.614 |
0.295 |
0.27 |
0.78 |
0.72 |
0.063 |
0.037 |
0.094 |
0.081 |
0.168 |
0.131 |
DIMENSIONS OF ROUND HEAD MACHINE SCREWS
![]() SLOTTED |
![]() PHILIPS |
minal Size |
A |
H |
J |
T |
M |
G |
N |
Phillips Driver Size |
|||||
Head Diameter |
Height of Head |
Width of Slot |
Depth of Slot |
Dimensions of Recess |
|||||||||
Diameter |
Depth |
Width |
|||||||||||
Max. |
Min. |
Max. |
Min. |
Max. |
Min. |
Max. |
Min. |
Max. |
Min. |
Max. |
Min. |
||
2 |
0.162 |
0.146 |
0.069 |
0.059 |
0.031 |
0.023 |
0.048 |
0.037 |
0.1 |
0.087 |
0.053 |
0.017 |
1 |
3 |
0.187 |
0.169 |
0.078 |
0.067 |
0.035 |
0.027 |
0.053 |
0.04 |
0.109 |
0.096 |
0.062 |
0.018 |
1 |
4 |
0.211 |
0.193 |
0.086 |
0.075 |
0.039 |
0.031 |
0.058 |
0.044 |
0.118 |
0.105 |
0.072 |
0.019 |
1 |
5 |
0.236 |
0.217 |
0.095 |
0.083 |
0.043 |
0.035 |
0.063 |
0.047 |
0.154 |
0.141 |
0.074 |
0.027 |
2 |
6 |
0.26 |
0.24 |
0.103 |
0.091 |
0.048 |
0.039 |
0.068 |
0.051 |
0.162 |
0.149 |
0.084 |
0.027 |
2 |
7 |
0.285 |
0.264 |
0.111 |
0.099 |
0.048 |
0.039 |
0.072 |
0.055 |
0.17 |
0.157 |
0.092 |
29 |
2 |
8 |
0.309 |
0.287 |
0.12 |
0.107 |
0.054 |
0.045 |
0.077 |
0.058 |
0.178 |
0.165 |
0.101 |
0.03 |
2 |
9 |
0.334 |
0.311 |
0.128 |
0.115 |
0.054 |
0.045 |
0.082 |
0.062 |
0.186 |
0.173 |
0.11 |
0.03 |
2 |
10 |
0.359 |
0.334 |
0.137 |
0.123 |
0.06 |
0.05 |
0.087 |
0.065 |
0.195 |
0.182 |
0.119 |
0.031 |
2-3* |
12 |
0.408 |
0.382 |
0.153 |
0.139 |
0.067 |
0.056 |
0.096 |
0.072 |
0.249 |
0.236 |
0.125 |
0.032 |
3 |
14 |
0.472 |
0.443 |
0.175 |
0.16 |
0.075 |
0.064 |
0.109 |
0.082 |
0.268 |
0.255 |
0.147 |
0.034 |
3 |
18 |
0.59 |
0.557 |
0.216 |
0.198 |
0.084 |
0.072 |
0.132 |
0.099 |
-- |
-- |
-- |
-- |
-- |
24 |
0.708 |
0.67 |
0.256 |
0.237 |
0.094 |
0.081 |
0.155 |
0.117 |
-- |
-- |
-- |
-- |
-- |
DIMENSIONS OF PAN HEAD COMBINATION DRIVE MACHINE SCREWS
|
![]() |
Screw Size |
G |
H |
J |
A |
M |
T |
F |
N |
Driver Size |
||||
Head Dimensions |
Slot Dimensions |
Recess Dimensions |
|||||||||||
Head Diam. |
Head Height |
Width |
Depth |
Width |
Depth |
Max. Rad |
Min. Wing Width |
Recess Penetration |
|||||
Max. |
Min. |
Max. |
Min. |
Max. |
Min. |
||||||||
2 |
0.167 |
0.062 |
0.031 |
0.023 |
0.031 |
0.022 |
0.104 |
0.059 |
0.02 |
0.017 |
0.052 |
0.034 |
1 |
0.155 |
0.053 |
0.091 |
0.041 |
||||||||||
3 |
0.193 |
0.071 |
0.035 |
0.027 |
0.036 |
0.026 |
0.112 |
0.065 |
0.02 |
0.019 |
0.061 |
0.043 |
1 |
0.18 |
0.062 |
0.099 |
0.05 |
||||||||||
4 |
0.219 |
0.08 |
0.039 |
0.031 |
0.04 |
0.03 |
0.122 |
0.078 |
0.02 |
0.019 |
0.071 |
0.053 |
1 |
0.205 |
0.07 |
0.109 |
0.06 |
||||||||||
5 |
0.245 |
0.089 |
0.043 |
0.035 |
0.045 |
0.034 |
0.158 |
0.083 |
0.025 |
0.028 |
0.072 |
0.046 |
2 |
0.231 |
0.079 |
0.145 |
0.057 |
||||||||||
6 |
0.27 |
0.097 |
0.048 |
0.039 |
0.05 |
0.037 |
0.166 |
0.091 |
0.025 |
0.028 |
0.08 |
0.055 |
2 |
0.256 |
0.087 |
0.153 |
0.066 |
||||||||||
7 |
0.296 |
0.106 |
0.048 |
0.039 |
0.054 |
0.041 |
0.176 |
0.1 |
0.025 |
0.029 |
0.089 |
0.064 |
2 |
0.281 |
0.096 |
0.163 |
0.075 |
||||||||||
8 |
0.322 |
0.115 |
0.054 |
0.045 |
0.058 |
0.045 |
0.182 |
0.108 |
0.025 |
0.03 |
0.097 |
0.071 |
2 |
0.306 |
0.105 |
0.169 |
0.082 |
||||||||||
10 |
0.373 |
0.133 |
0.06 |
0.05 |
0.068 |
0.053 |
0.199 |
0.124 |
0.025 |
0.031 |
0.113 |
0.089 |
2 |
0.357 |
0.122 |
0.186 |
0.1 |
||||||||||
12 |
0.425 |
0.151 |
0.067 |
0.056 |
0.077 |
0.061 |
0.259 |
0.141 |
0.03 |
0.034 |
0.124 |
0.098 |
3 |
0.407 |
0.139 |
0.246 |
0.115 |
||||||||||
1/4 |
0.492 |
0.175 |
0.075 |
0.064 |
0.087 |
0.07 |
0.281 |
0.161 |
0.03 |
0.036 |
0.144 |
0.118 |
3 |
0.473 |
0.162 |
0.268 |
0.135 |
||||||||||
5/16 |
0.615 |
0.218 |
0.084 |
0.072 |
0.106 |
0.085 |
0.35 |
0.193 |
0.035 |
0.059 |
0.173 |
0.149 |
4 |
0.594 |
0.203 |
0.337 |
0.169 |
||||||||||
3/8 |
0.74 |
0.261 |
-- |
-- |
-- |
-- |
0.389 |
0.233 |
0.035 |
0.065 |
0.213 |
0.19 |
4 |
0.716 |
0.244 |
0.376 |
0.21 |
||||||||||
7/16 |
0.863 |
0.304 |
-- |
-- |
-- |
-- |
0.413 |
0.259 |
0.035 |
0.068 |
0.239 |
0.214 |
4 |
0.838 |
0.286 |
0.4 |
0.234 |
||||||||||
1/2 |
0.987 |
0.348 |
-- |
-- |
-- |
-- |
0.435 |
0.28 |
0.035 |
0.071 |
0.26 |
0.235 |
4 |
0.958 |
0.327 |
0.422 |
0.255 |
||||||||||
DIMENSIONS OF PAN HEAD TORX DRIVE MACHINE SCREWS
|
![]() |
Screw Size |
Head Dimensions |
Recess Dimensions |
|||||
D |
H |
R |
G |
(Fallaway) Penetration |
|||
Head Diameter |
Head Height |
Ref. |
Gage Penetration |
||||
Max. |
Min. |
Max. |
Min. |
Min. |
Max. |
||
4 |
0.219 |
0.205 |
0.08 |
0.07 |
0.111 |
0.035 |
0.016 |
6 |
0.27 |
0.256 |
0.097 |
0.087 |
0.132 |
0.045 |
0.02 |
8 |
0.322 |
0.306 |
0.115 |
0.105 |
0.155 |
0.055 |
0.025 |
10 |
0.372 |
0.357 |
0.133 |
0.122 |
0.178 |
0.07 |
0.025 |
Thread Dimensions External Threads - Class 2A
Nominal Size &Threads/lnch & Series Designation |
Allowance |
Major Diameter |
Pitch Diameter |
||||
Max |
Min |
Max |
Min |
Tolerance |
|||
0-80 |
UNF |
0.0005 |
0.0595 |
0.0563 |
0.0514 |
0.0496 |
0.0018 |
1-64 |
UNC |
0.0006 |
0.0724 |
0.0686 |
0.0623 |
0.0603 |
0.002 |
1-72 |
UNF |
0.0006 |
0.0724 |
0.0689 |
0.0634 |
0.0615 |
0.0019 |
2-56 |
UNG |
0.0006 |
0.0854 |
0.0813 |
0.0738 |
0.0717 |
0.0021 |
2-64 |
UNF |
0.0006 |
0.0854 |
0.0816 |
0.0753 |
0.0733 |
0.002 |
3-48 |
UNG |
0.0007 |
0.0938 |
0.0938 |
0.0848 |
0.0825 |
0.0023 |
3-56 |
UNF |
0.0007 |
0.0983 |
0.0942 |
0.0867 |
0.0845 |
0.0022 |
4-40 |
UNG |
0.0008 |
0.1112 |
0.1061 |
0.095 |
0.0925 |
0.0025 |
4-48 |
UNF |
0.0007 |
0.1113 |
0.1068 |
0.0978 |
0.0954 |
0.0024 |
5-40 |
UNC |
0.0008 |
0.1242 |
0.1191 |
0.108 |
0.1054 |
0.0026 |
5-44 |
UNF |
0.0007 |
0.1243 |
0.1195 |
0.1095 |
0.107 |
0.0025 |
6-32 |
UNG |
0.0008 |
0.1372 |
0.1312 |
0.1169 |
0.1141 |
0.0028 |
6-40 |
UNF |
0.0008 |
0.1372 |
0.1321 |
0.121 |
0.1184 |
0.0026 |
8-32 |
UNG |
0.0009 |
0.1631 |
0.1571 |
0.1428 |
0.1399 |
0.0029 |
8-36 |
UNF |
0.0008 |
0.1632 |
0.1577 |
0.1452 |
0.1424 |
0.0028 |
10-24 |
UNG |
0.001 |
0.189 |
0.1818 |
0.1619 |
0.1586 |
0.0033 |
10-32 |
UNF |
0.0009 |
0.1891 |
0.1831 |
0.1688 |
0.1658 |
0.003 |
12-24 |
UNG |
0.001 |
0.215 |
0.2078 |
0.1879 |
0.1845 |
0.0034 |
12-28 |
UNF |
0.001 |
0.215 |
0.2085 |
0.1918 |
0.1886 |
0.0032 |
1/4-20 |
UNG |
0.0011 |
0.2489 |
0.2408 |
0.2164 |
0.2127 |
0.0037 |
1/4-28 |
UNF |
0.001 |
0.249 |
0.2425 |
0.2258 |
0.2225 |
0.0033 |
5/16-18 |
UNG |
0.0012 |
0.3113 |
0.3026 |
0.2752 |
0.2712 |
0.004 |
5/16-24 |
UNF |
0.0011 |
0.3114 |
0.3042 |
0.2843 |
0.2806 |
0.0037 |
3/8-16 |
UNG |
0.0013 |
0.3737 |
0.3643 |
0.3331 |
0.3287 |
0.0044 |
3/8-24 |
UNF |
0.0011 |
0.3739 |
0.3667 |
0.3468 |
0.343 |
0.0038 |
7/16-14 |
UNG |
0.0014 |
0.4361 |
0.4258 |
0.3897 |
0.385 |
0.0047 |
7/16-20 |
UNF |
0.0013 |
0.4362 |
0.4281 |
0.4037 |
0.3995 |
0.0042 |
1/2-13 |
UNG |
0.0015 |
0.4985 |
0.4876 |
0.4485 |
0.4435 |
0.005 |
1/2-20 |
UNF |
0.0013 |
0.4987 |
0.4906 |
0.4662 |
0.4619 |
0.0043 |
9/16-12 |
UNG |
0.0016 |
0.5609 |
0.5495 |
0.5068 |
0.5016 |
0.0052 |
9/16-18 |
UNF |
0.0014 |
0.5611 |
0.5524 |
0.525 |
0.5205 |
0.0045 |
5/8-11 |
UNG |
0.0016 |
0.6234 |
0.6113 |
0.5644 |
0.5589 |
0.0055 |
5/8-18 |
UNF |
0.0014 |
0.6236 |
0.6149 |
0.5875 |
0.5828 |
0.0047 |
3/4-10 |
UNG |
0.0018 |
0.7482 |
0.7353 |
0.6832 |
0.6773 |
0.0059 |
3/4-16 |
UNF |
0.0015 |
0.7485 |
0.7391 |
0.7079 |
0.7029 |
0.005 |
7/8-9 |
UNG |
0.0019 |
0.8731 |
0.8592 |
0.8009 |
0.7946 |
0.0063 |
7/8-14 |
UNF |
0.0016 |
0.0834 |
0.8631 |
0.827 |
0.8216 |
0.0054 |
1-8 |
UNG |
0.002 |
0.998 |
0.983 |
0.9168 |
0.91 |
0.0068 |
1-12 |
UNF |
0.0018 |
0.9982 |
0.9868 |
0.9441 |
0.9382 |
0.0059 |
1-14 |
UNS |
0.0017 |
0.9983 |
0.988 |
0.9519 |
0.9463 |
0.0056 |
11/8-7 |
UNG |
0.0022 |
1.1228 |
1.1064 |
1.03 |
1.0228 |
0.0072 |
11/8-8 |
UN |
0.0021 |
1.1229 |
1.1079 |
1.0417 |
1.0348 |
0.0069 |
11/8-12 |
UNF |
0.0018 |
1.1232 |
1.1118 |
1.0691 |
1.0631 |
0.006 |
11/4-7 |
UNG |
0.022 |
1.2478 |
1.2314 |
1.155 |
1.1476 |
0.0074 |
11/14-8 |
UN |
0.0021 |
1.2479 |
1.2329 |
1.1667 |
1.1597 |
0.007 |
11/4-12 |
UNF |
0.0018 |
1.2482 |
1.2368 |
1.1941 |
1.1879 |
0.0062 |
1 3/8-6 |
UNC |
0.0024 |
1.3726 |
1.3544 |
1.2643 |
1.2563 |
0.008 |
1 3/8-8 |
UN |
0.0022 |
1.3728 |
1.3578 |
1.2916 |
1.2844 |
0.0072 |
1 3/8-12 |
UNF |
0.0019 |
1.3731 |
1.3617 |
1.319 |
1.3127 |
0.0063 |
11/2-6 |
UNC |
0.0024 |
1.4976 |
1.4794 |
1.3893 |
1.3812 |
0.0081 |
1 1/2-8 |
UN |
0.0022 |
1.4978 |
1.4828 |
1.4166 |
1.4093 |
0.0073 |
1 1/2-12 |
UNC |
0.0019 |
1.4981 |
1.4867 |
1.444 |
1.4376 |
0.0064 |
1 5/8-8 |
UN |
0.0022 |
1.6228 |
1.6087 |
1.5416 |
1.5342 |
0.0074 |
1 3/4-5 |
UNC |
0.0027 |
1.7473 |
1.7268 |
1.6174 |
1.6085 |
0.0089 |
1 3/4-8 |
UN |
0.0023 |
1.7477 |
1.7327 |
1.6665 |
1.659 |
0.0075 |
1 7/8-8 |
UN |
0.0023 |
1.8727 |
1.8577 |
1.7915 |
1.7838 |
0.0077 |
2-4 1/2 |
UNC |
0.0029 |
1.9971 |
1.9751 |
1.8528 |
1.8433 |
0.0095 |
2-8 |
UN |
0.0023 |
1.9977 |
1.9827 |
1.9165 |
1.9087 |
0.0078 |
2 1/4-4.5 |
UNC |
0.0029 |
2.2471 |
2.2251 |
2.1028 |
2.0931 |
0.0097 |
2 1/4-8 |
UN |
0.0024 |
2.2476 |
2.2326 |
2.1664 |
2.1584 |
0.008 |
2 1/2-4 |
UNC |
0.0031 |
2.4969 |
2.4731 |
2.3345 |
2.3241 |
0.0104 |
2 1/2-8 |
UN |
0.0024 |
2.4976 |
2.4826 |
2.4164 |
2.4082 |
0.0082 |
2 3/4-4 |
UNC |
0.0032 |
2.7468 |
2.723 |
2.5844 |
2.5739 |
0.0105 |
2 3/4-8 |
UN |
0.0025 |
2.7475 |
2.7325 |
2.6663 |
2.658 |
0.0083 |
3-4 |
UNC |
0.0032 |
2.9968 |
2.973 |
2.8344 |
2.8237 |
0.0107 |
3-8 |
UN |
0.0026 |
2.9974 |
2.9824 |
2.9162 |
2.9077 |
0.0085 |
3 1/4-4 |
UNC |
0.0033 |
3.2467 |
3.2229 |
3.0843 |
3.0734 |
0.0109 |
3 1/4-8 |
UN |
0.0026 |
3.2474 |
3.2324 |
3.1662 |
3.1575 |
0.0087 |
3 1/2-4 |
UNC |
0.0033 |
3.4967 |
3.4729 |
3.3343 |
3.3233 |
0.011 |
3 1/2-8 |
UN |
0.0026 |
3.4974 |
3.4824 |
3.4162 |
3.4074 |
0.0088 |
3 3/4-4 |
UNC |
0.0034 |
3.7466 |
3.7228 |
3.5842 |
3.573 |
0.0112 |
3 3/4-8 |
UN |
0.0027 |
3.7473 |
3.7323 |
3.6661 |
3.6571 |
0.009 |
4-4 |
UNC |
0.0034 |
3.9966 |
3.9728 |
3.8342 |
3.8229 |
0.0113 |
4-8 |
UN |
0.0027 |
3.9973 |
3.9823 |
3.9161 |
3.907 |
0.0091 |
![]()
Nom Screw Length |
Nom Length Increment |
Tolerance on Length |
|
Plus |
Minus |
||
Up to 5/8 in., Incl. |
1/8 |
0 |
0.03 |
Over 5/8 to 1 in., Incl. |
1/8 |
0 |
0.05 |
Over 1 to 1-1/2 in.,Incl. |
1/4 |
0 |
0.05 |
Over l-1/2 to 2-3/4 in., Incl. |
1/4 |
0 |
0.06 |
Over 2-3/4 in. |
1/2 |
0 |
0.09 |










SLOTTED











